Резистор для кулера 12 вольт
3 лучшие схемы регуляторов скорости вентиляторов
- Простая схема
- С датчиком температуры
- Для уменьшения шума
- Видео
Рассмотрим ТОП-3 рабочих схемы регулятора скорости вращения вентилятора. Каждая схема не только проверена, но и отлично подойдёт для воплощения начинающими радиолюбителями. К каждой схеме прилагается список необходимых компонентов для монтажа своими руками и пошаговые рекомендации.
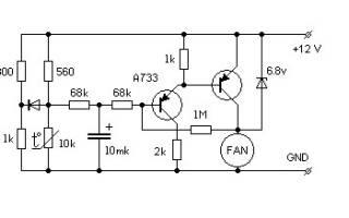
Регулятор скорости вентилятора — простая схема
Предлагаемая ниже схема обеспечивает простую регулировку оборотов вентилятора без контроля оборотов. В устройстве использованы отечественные транзисторы КТ361 и КТ814. Конструктивно плата размещается непосредственно в блоке питания, на одном из радиаторов. Она имеет дополнительные посадочные места для подключения второго датчика (внешнего) и возможность добавить стабилитрон, ограничивающий минимальное напряжение, подаваемое на вентилятор.

Список необходимых радиоэлементов:
- 2 биполярных транзистора — КТ361А и КТ814А.
- Стабилитрон — 1N4736A (6.8В).
- Диод.
- Электролитический конденсатор — 10 мкФ.
- 8 резисторов — 1х300 Ом, 1х1 кОм, 1х560 Ом, 2х68 кОм, 1х2 кОм, 1х1 кОм, 1х1 МОм.
- Терморезистор — 10 кОм
- Вентилятор.
Плата регулятора скорости вентилятора:

Фото готового регулятора скорости вентилятора:

Регулятор вентилятора с датчиком температуры
Как известно, вентилятор в блоках питания компьютеров формата AT вращается с неизменной частотой независимо от температуры корпусов высоковольтных транзисторов. Однако блок питания не всегда отдает в нагрузку максимальную мощность. Пик потребляемой мощности приходится на момент включения компьютера, а следующие максимумы — на время интенсивного дискового обмена.
- Как сделать управляемую плату регулятора на 1,2–35 В
Если же учесть ещё и тот факт, что мощность блока питания обычно выбирается с запасом даже для максимума энергопотребления, нетрудно прийти к выводу, что большую часть времени он недогружен и принудительное охлаждение теплоотвода высоковольтных транзисторов чрезмерно. Иными словами, вентилятор впустую перекачивает кубометры воздуха, создавая при этом довольно сильный шум и засасывая пыль внутрь корпуса.
Уменьшить износ вентилятора и снизить общий уровень шума, создаваемого компьютером можно, применив автоматический регулятор частоты вращения вентилятора, схема которого показана на рисунке. Датчиком температуры служат германиевые диоды VD1–VD4, включенные в обратном направлении в цепь базы составного транзистора VT1VT2. Выбор в качестве датчика диодов обусловлен тем, что зависимость обратного тока от температуры имеет более выраженный характер, чем аналогичная зависимость сопротивления терморезисторов. Кроме того, стеклянный корпус указанных диодов позволяет обойтись без каких-либо диэлектрических прокладок при установке на теплоотводе транзисторов блока питания.

- 2 биполярных транзистора (VT1, VT2) — КТ315Б и КТ815А соответственно.
- 4 диода (VD1-VD4) — Д9Б.
- 2 резистора (R1, R2) — 2 кОм и 75 кОм (подбор) соответственно.
- Вентилятор (M1).
Резистор R1 исключает возможность выхода из строя транзисторов VT1, VT2 в случае теплового пробоя диодов (например, при заклинивании электродвигателя вентилятора). Его сопротивление выбирают, исходя из предельно допустимого значения тока базы VT1. Резистор R2 определяет порог срабатывания регулятора.
Следует отметить, что число диодов датчика температуры зависит от статического коэффициента передачи тока составного транзистора VT1, VT2. Если при указанном на схеме сопротивлении резистора R2, комнатной температуре и включенном питании крыльчатка вентилятора неподвижна, число диодов следует увеличить.
Необходимо добиться того, чтобы после подачи напряжения питания она уверенно начинала вращаться с небольшой частотой. Естественно, если при четырех диодах датчика частота вращения окажется значительно больше требуемой, число диодов следует уменьшить.
Устройство монтируют в корпусе блока питания. Одноименные выводы диодов VD1-VD4 спаивают вместе, расположив их корпусы в одной плоскости вплотную друг к другу. Полученный блок приклеивают клеем БФ-2 (или любым другим термостойким, например, эпоксидным) к теплоотводу высоковольтных транзисторов с обратной стороны. Транзистор VT2 с припаянными к его выводам резисторами R1, R2 и транзистором VT1 устанавливают выводом эмиттера в отверстие «-cooler» платы блока питания.
Налаживание устройства сводится к подбору резистора R2. Временно заменив его переменным (100–150 кОм), подбирают такое сопротивление введенной части, чтобы при номинальной нагрузке (теплоотводы транзисторов блока питания теплые наощупь) вентилятор вращался с небольшой частотой. Во избежание поражения электрическим током (теплоотводы находятся под высоким напряжением!) «измерять» температуру наощупь можно, только выключив компьютер. При правильно отлаженном устройстве вентилятор должен запускаться не сразу после включения компьютера, а спустя 2–3 мин после прогрева транзисторов блока питания.
Схема регулятора скорости вентилятора для уменьшения шума
В отличии от схемы, которая замедляет обороты вентилятора после старта (для уверенного запуска вентилятора), данная схема позволит увеличить эффективность работы вентилятора путем увеличения оборотов при повышении температуры датчика. Схема также позволяет уменьшить шум вентилятора и продлить его срок службы.

Необходимые для сборки детали:
- Биполярный транзистор (VT1) — КТ815А.
- Электролитический конденсатор (С1) — 200 мкФ/16В.
- Переменный резистор (R1) — Rt/5.
- Терморезистор (Rt) — 10–30 кОм.
- Резистор (R2) — 3–5 кОм (1 Вт).
Настройка производится до закрепления термодатчика на радиаторе. Вращая R1, добиваемся, чтобы вентилятор остановился. Затем, вращая в обратную сторону, заставляем его гарантированно запускаться при зажимании терморезистора между пальцами (36 градусов).
Если ваш вентилятор иногда не запускается даже при сильном нагреве (паяльник поднести), то нужно добавить цепочку С1, R2. Тогда R1 выставляем так, чтобы вентилятор гарантированно запускался при подаче напряжения на холодный блок питания. Через несколько секунд после заpяда конденсатора, обороты падали, но полностью вентилятор не останавливался. Теперь закрепляем датчик и проверяем, как все это будет крутится пpи реальной работе.
Rt — любой терморезистор с отрицательным ТКЕ, например, ММТ1 номиналом 10–30 кОм. Терморезистор крепится (приклеивается) через тонкую изолирующую прокладку (лучше слюдяную) к радиатору высоковольтных транзисторов (или к одному из них).
Видео о сборке регулятора оборотов вентилятора:
GAZ 31 Авантюрин 2.4L › Logbook › Две скорости вентилятора, реализация.

Всем привет! Наконец то дошли руки до реализации планов. Для реализации первой скорости вентилятора охлаждения нужен дополнительный датчик включения вентилятора, который я и установил при замене патрубков


и к нему купил разъем


Потом я купил резистор от Лифана и хорошо не успел поставить, Balboa78 тоже такой ставил и он мне сказал, что с ним очень медленно крутится вентилятор, и лучше ставить вариатор, но я то уже хотел ставить от нивы. Ну что же, будем проводить опыты, и заказал резистор от нивы


и заодно вариатор




Ну начал я замерять сопротивление и вот что получилось: лифан — 1.5 Ом, нива — 0.5 Ом, вариатор на контактах “С” и “К” — сопротивление 0.6 Ом, на контактах “С” и “+” — сопротивление 0.8 Ом. Сразу уточню, сопротивление щупов мультиметра вычитал. По результатам замеров решил устанавливать резистор от нивы.
Для установки резистора я изготовил кронштейн








Ну и собственно резистор на месте






Подключал я по той схеме, которую выкладывал ранее, ну сделаю это еще раз






Вот как работает вентилятор на штатной скорости
А так работает с резистором от нивы
Даже по звуку из видео слышно, на сколько тише работает вентилятор. Вот на самом деле, когда подъехал на стоянку даже не слышал что работает вентилятор.
Ну как всегда немного артикулов:
— датчик включения вентилятора
Vernet — TS1772
— резистор нива
Lada — 21231300500
Всем благ и ровных дорог!


FakeHeader
Recommendations
Comments 26


А цены озвучишь?









На все около 1000 рублей




Здраствуйте!А датчик куда вкручивать в верхний патрубок или в радиатор?









Ну я купил верхний патрубок под датчик и вкрутил в него.




а так впринцепе ведь можно и в радиатор?









Можно и в радиатор, но в радиаторе температура на датчике достигается с опозданием. Да и патрубок стоит 130 рублей.




Всё понял!Спасибо большое за ответ!Завтра за всем нужным в магаз!









Да не за что! Рад что запись полезна. Я заказывал все на emex.ru


я чего-то не допонял. Получается первая скорость при одной температуре же срабатывает(при какой, ясное дело, что меньше 98)? А вторая — при 98, как по штату?









Да, вторая при 98, штатная схема осталась без изменений, а первая включается при 94-95




да вот хочу купить, те что подешевле, по отзывам умирают быстро. Можешь фото скинуть, как ты его сделал?









Я с машиной занимаюсь у тестя, за 90 км, от дома, на выходных, так что фото смогу сделать не раньше вечера пятницы, если вообще в эти выходные поеду. Не на всех вытяжных получится сделать. У моего весь механизм зафиксирован гайкой сверху, а ни как у большинства штифтами, при выкручивании гайки весь механизм вытаскивается и получается просто втулка которая ходит вверх-вниз, соответственно на длинный болт накрутил гайку за которую втулка и поднимает его вверх, Ну соответственно этой же гайкой регулируется на сколько торчит болт под заклепку.




Попробую свой переделать, может что получится. Раньше я через гайку длинную и опорный подшипник делал, последние несколько дней, все теми же приблудами пытаюсь сделать, резьбовая заклепка поворачивается…сука…




каким заклепочником пользуешься, как много им уже заклепал?









Древний такой, под вытяжные заклепки, с поворотной башкой, внутренности выкинул, и на сквозь длинный болт М6 с модулем твердости 8.8, заклепал пока не много, штук 20.
Резистор для кулера 12 вольт


Нужно отметить, что количество оборотов в первую очередь зависит от уровня подаваемого на него напряжения. Уменьшая уровень подаваемого напряжения, уменьшается как шум, так и число оборотов.
Схема подключения:


Что касается транзистора, то берите КТ815 или КТ817, также можно использовать мощнее КТ819.
Выбор транзистора зависит от мощности вентилятора. В основном используются простые вентиляторы постоянного тока с напряжением 12 Вольт.
Резисторы нужно брать с такими параметрами: первый постоянный (1кОм), а второй переменный (от 1кОм до 5кОм) для регулировки скорости оборотов вентилятора.
Имея входное напряжение (12 Вольт), выходное напряжение можно регулировать, вращая движковую часть резистора R2. Как правило, при напряжении 5 Вольт или ниже, вентилятор перестает шуметь.




При использовании регулятора с мощным вентилятором советую установить транзистор на небольшой теплоотвод.
Похожие записи:
Вот и все, теперь вы можете собрать регулятор скорости вентилятора своими руками, без шумной вам работы.
Кстати, если желаешь снизить обороты, то можно и без резистора обойтись — подать на вентилятор напряжение 7 вольт (именно такое между красным и желтым проводом на молексе присутствует 12-5=7).
Как считать:
Допустим, тебе нужно получить на вентиляторе 9 вольт.
Сопротивление обмотки вентилятора
12:0,2=60 Ом
Значит, ток, который это падение напряжения даст, будет равен
9:60=0,15 А
Далее, что бы при таком токе погасить “лишние” 3 вольта, сопротивление резистора должно быть:
3:0,15=20 Ом
Соответственно, мощность, выделяемая на резисторе:
0,15*3=0,45 Вт
(вроеде, с похмелья, ничего не напутал)
техподдержка, решение проблем
- Темы без ответов
- Активные темы
- Поиск
- Наша команда
Регулировка напряжения кулера на CPU при помощи резистора.
Регулировка напряжения кулера на CPU при помощи резистора.
Сообщение Devil_Evil » 21.07.2003 22:31
Сообщение i8085 » 22.07.2003 2:48
Freeman_Jack, на наклейке на кулере указан рабочий ток при питании 12 В. Сопротивление резистора легко посчитать: от 12 В отнять напряжение, которое нужно получить, разность делить на ток кулера. Рассчёт будет немного неточен, потому что при понижении напряжения понижается и потребляемый кулером ток, но так как резистор переменный, то особая точность и не нужна. Понижать напряжение имеет смысл вольт до 7 — 8, при меньшем кулер остановится и перегреется.
Например: если надо регулировать от 12 В до 7 В при номинальном токе кулера 100 мА (0,1 А), то сопротивление переменного резистора будет равно (12-7)/0,1 = 50 Ом. Реально можно поставить от 47 до 150 Ом.
Допустимая мощность этого резистора должна быть больше (12-7)*0,1, т.е. больше 0,5 Ватт.
Включается переменный резистор последовательно в разрыв провода кулера “+12В”, как сказал Devil_Evil.
Так как кулер это не только мотор, но ещё и электронная схема, то желательно поставить ещё и керамический конденсатор 0,1 . 1,0 мкФ параллельно питанию кулера, то есть с “общего” провода в точку питания после резистора.
Радио-как хобби


Часто в радиолюбительской практике возникает необходимость охлаждать методом обдува какие-либо мощные активные элементы: регулирующие транзисторы в блоках питания, в выходных каскадах мощных УНЧ, радиолампы в выходных каскадах передатчиков и т.д.
Конечно, проще всего включить вентилятор на полные обороты. Но это не самый лучший выход-шум вентилятора будет напрягать и мешать.
Система автоматического управления вентилятором-вот что может быть выходом из ситуации.
Такая система автоматического управления вентилятором, будет управлять включением/выключением и оборотами вентилятора в зависимости от температуры.
В данной статье предложен простой, бюджетный выход из ситуации…
Итак, некоторое время тому назад знакомый товарищ попросил изготовить ему систему автоматического регулирования оборотов вентилятора охлаждения для зарядного устройства. Поскольку готового решения у меня не было-пришлось поискать что-либо подходящее в интернете.
Всегда руководствуюсь принципом –«делать жизнь как можно проще», поэтому подыскивал схемы попроще, без всяких там микроконтроллеров, которые сейчас суют где надо, и где не надо. Попалась на глаза статья :http://dl2kq.de/pa/1-11.htm. Решено было испытать описанные в ней автоматы управления вентилятором…
Система автоматического управления вентилятором №1.
Принципиальная схема устройства показана ниже:

В данном случае применен вентилятор с рабочим напряжением 12 В.
Схема питается напряжением 15…18 В. Интегральный стабилизатор типа 7805 задает начальное напряжение на вентиляторе. Транзистор VT1 управляет работой интегрального стабилизатора. В качестве датчиков температуры использованы кремниевые транзисторы (VT2 и VT3) в диодном включении.
Схема работает следующим образом: в холодном состоянии датчиков температуры напряжение на них максимально. Транзистор VT1 полностью открыт, напряжение на его коллекторе ( а значит и на выводе 2 интегрального стабилизатора) составляет десятые доли вольта. Напряжение, подаваемое на вентилятор почти равно паспортному выходному напряжению микросхемы LM7805, и вентилятор вращается на небольших оборотах.
По мере прогрева датчиков температуры ( одного любого из них, или обеих) напряжение на базе VT1 начинает уменьшаться. Транзистор VT1 начинает закрываться, напряжение на его коллекторе увеличивается, а соответственно, увеличивается и напряжение на выходе микросхемы LM7805.
Обороты вентилятора также увеличиваются и плавно достигают максимальных. По мере остывания датчиков температуры происходит обратный процесс и обороты вентилятора уменьшаются.
Количество датчиков может быть от одного до нескольких ( мною опробовано три параллельно включенных датчика). Датчики могут быть установлены как рядом друг с другом ( для повышения надежности срабатывания), так и размещены в разных местах.
Изначально данная схема разрабатывалась для применения в мощном ламповом усилителе мощности КВ диапазона, отсюда большое количество блокировочных конденсаторов. При применении данной системы автоматического управления режимом работы вентилятора, скажем, в блоках питания, или в мощных усилителях НЧ блокировочные конденсаторы можно не устанавливать.
Данная схема интересна еще и тем, что датчики температуры могут быть как закреплены на радиаторах мощных транзисторов, диодов и иметь непосредственный тепловой контакт с ними,так и установлены на весу, в потоке теплого воздуха.
В качестве транзисторов VT1…VT3 можно применить любые кремниевые транзисторы в пластиковом корпусе и структуры n-p-n. Мною успешно испытаны транзисторы КТ503, КТ315, КТ3102, S9013, 2N3904. Подстроечный резистор R2 служит для установки минимальных оборотов вентилятора.
При настройке данной системы автоматического управления режимом работы вентилятора подстроечным резистором R2 устанавливают минимальные обороты вентилятора. Затем, нагревая датчик, или датчики, каким-либо источником тепла убеждаются в работоспособности системы и возможность срабатывания её от разных датчиков независимо.
Данная схема достаточно чувствительна-можно настроить её на срабатывание даже от нагевания датчика температуры рукой. Важное замечание. Схема измеряет не абсолютную температуру, а разность температур между переходами транзистора VT1 и датчиков VT2 и VT3. Поэтому плата устройства должна быть размещена в месте, исключающем дополнительный нагрев. Интегральный стабилизатор должен быть снабжен небольшим радиатором.
Система автоматического управления вентилятором №2.
Здесь описано аналогичное устройство, но имеющее некоторые особенности.
Дело вот в чем. Часто бывают случаи, когда система автоматического управления режимом работы вентилятора установлена в изделии, где имеется всего лишь одно питающее напряжение -12В, но и вентилятор рассчитан на работу от напряжения 12 В.
Для достижения максимальных оборотов вентилятора необходимо подать на него полное напряжение,или, другими словами, регулирующий элемент системы автоматического управления режимом работы вентилятора должен иметь практически близкое к нулю падение напряжения на нем. И в этом смысле схема, описание которой изложено выше, не подходит.
В этом случае применимо другое устройство, схема которого представлена ниже:


Регулирующим элементом служит полевой транзистор с очень низким сопротивлением канала в открытом состоянии. Мною использован транзистор типа PHD55N03.
Он имеет следующие характеристики: максимальное напряжение сток-исток -25 В, максимальный ток стока- 55 А, сопротивлением канала в открытом состоянии -0,14 мОм.
Подобные транзисторы применяются на материнских платах и платах видеокарт. Я добыл этот транзистор на старой материнской плате:


Цоколевка этого транзистора:

Именно очень низкое сопротивление канала в открытом состоянии и позволяет приложить к вентилятору практически полное напряжение питания.
В этой схеме датчиком температуры служит терморезистор R1 номиналом 10 кОм. Терморезистор должен быть с отрицательным температурным коэффициентом сопротивления ( типа NTC).
Номинал терморезистора R1 может быть от 10 до 100 кОм, соответственно нужно изменить и номинал подстроечного резистора R2. Так, для терморезистора номиналом 100 кОм, сопротивление подстроечного резистора R2 должно быть 51 или 68 кОм. Подстроечным резистором R2 в данной схеме устанавливается порог срабатывания схемы.
Данная схема работает по принципу термоуправляемого реле: вентилятор включен/выключен в зависимости от температуры датчика.
Конструктивно, терморезистор R1 размещается на радиаторе транзисторов, которые обдувает вентилятор. Подстроечным резистором R2 при настройке схемы добиваются старта вентилятора при пороговой (начальной) температуре.
В качестве VT1 подойдет любой полевой транзистор с напряжением стока выше 20 В и сопротивлением канала в открытом состоянии менее 0,5 Ома.
Если напряжение питания не стабилизировано, то порог срабатывания схемы будет плавать, со всеми вытекающими последствиями. В этом случае полезно будет запитать терморезистор от стабильного источника питания, например -78L09.
Ниже приведен модернизированный вариант этой схемы. В данной схеме предусмотрена возможность независимой регулировки как минимальных оборотов при нормальной температуре, так и температуру, с которой обороты вентилятора начинают увеличиваться.

Здесь цепь R5, R6,VD2 позволяет установить минимальные обороты вентилятора при нормальной ( начальной) температуре при помощи подстроечного резистора R5. А резистором R7 устанавливают температуру, с которой вентилятор переходит на повышенные обороты.
Как и в предыдущих схемах, блокировочные конденсаторы необходимы при эксплуатации устройства в условиях воздействия мощных высокочастотных наводок-например ламповый усилитель мощности КВ диапазона. В других случаях в их установке нет необходимости.
Терморезисторов-датчиков температуры может быть несколько и установленных в разных местах. Вентиляторов тоже может быть несколько. В этом случае возможно ( но необязательно) будет необходимым предусмотреть небольшой радиатор для регулирующего транзистора.
Вид собранной платы системы автоматического управления обдувом, управляющий транзистор установлен со стороны печатных проводников:

Печатная плата, вид со стороны проводящих дорожек:

Все три схемы, приведенные в этой статье мною опробованы и продемонстрировали надежную и стабильную работу.
Обновление от 13.01.2020
Изготовил еще два варианта подобных регуляторов. Без использования терморезисторов.
Статья с подробным описанием здесь.
Дополнение от 19.02.2020.
Проделал лабораторную работу с целью определения возможности работы термоуправляемого регулятора, собранного по схеме №2 (см. текст статьи), от напряжения +27 В вместо штатных +12 В.
Делать эту работу пришлось, так как у некоторых коллег что-то там не получается и работает наоборот, и вовсе не так…
Схему собрал упрощенную-всего три детали. В качестве регулирующего транзистора применил IRF630.
Схема получилась такая:

В качестве нагрузки использован 27-ми вольтовый электродвигатель ДП25-1,6-3-27.
Всё заработало сразу, и как положено-при нагреве терморезистора двигатель начинает вращаться, при охлаждении останавливается. Порог срабатывания устанавливается подстроечным резистором 10 кОм. Причем, можно выставить так, что схема будет срабатывать даже от нагрева терморезистора дыханием.
